Adhesivos, Aislantes y Pinturas

Agricultura y Ganaderia

Calefacción, Ventilación y Climatización

Ferretería y Cerrajería

Fontanería, Tubería, Gas y Baño

Herramientas

Jardín y Piscina

Material Eléctrico

Menaje, Hogar y Tiempo Libre

Poda

Promoción

Protección Laboral y Vestuario

Tornilleria y Fijaciones

Trefileria

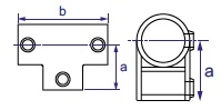
TE LARGA 42.4

Código: 48490

INFORMACIÓN TÉCNICA. APLICACIÓN; -Barandillas de seguridad / barreras de protección. -Protecciones contra caídas. -Otras aplicaciones para trabajos de seguridad. -Protección de maquinaria. -Áreas de juego. MATERIAL: -Hierro galvanizado maleable. NORMA - T Larga Medidas 26.9 - 33.7 - 42.4 - 48.3 - 60.3. Uniones Modulares de tubo para sistema de seguirdad. Fabricado con hierro galvanizado maleable para garantizar la resistencia, la calidad y la conformidad de la producción. Las uniones Norma se pueden montar fácilmente en tuberías para crear sistemas de seguridad. Tornillo de acero inoxidable. Garantía hasta 1.500 N/m de carga. Sin soldadura, por lo tanto no se requieren permisos para fuego. Sin rosca, sin pernos. Se puede ensamblar con una simple llave hexagonal. Un sistema versátil que permite realizar cambios sobre el terreno. Se puede pintar.

{{nombreProducto}}